Project Description
Bullet Resistant Wood Veneered Door and Hollow Metal Frame Assembly – Full Lite
Description
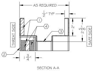
Bullet Resistant Wood Veneered door and hollow metal frame assemblies are designed for “non-ricochet type” intended to permit capture and retention of attacking projectile, lessening the potential of random injury or lateral penetration. The frame is built with cold rolled steel prime painted steel which is cut, then broken, and welded to size. Frames include armor installed in 2″ face to meet ballistic protection level. Our doors have fiberglass armor core with particle board and are veneer including door skins and edge molding. Ballistic level 1 thru 3 are 1 3/4″ thick and ballistic level 4 through 8 are 2″ + thick. Our wood door assembly leaves the factory swinging on its frame using heavy duty clear anodized aluminum continuous gear hinge prepped for cylinder, mortise lockset, or exit device.
Key Stats
| Ballistic Level (UL) | 1 to 8 |
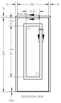
| Height | 84″ | 80″ to 108″ |
| Thickness | 1 3/4 ” | 2″ |
| Width | 36″ | 32″ to 48″ |
| Application | Interior |
| Core Material(s) | Fiberglass Armor with Particle Board |
| Finish | Primed |
| Frame Primary Material | 16 Ga. Steel | 14 Ga. Steel (Upon Request) | 12 Ga. Steel (Upon Request) |
| Glazing | No Glazing |
| Hardware Included | Clear Anodized Aluminum Continuous Gear Hinge | Prepped for Cylinder, Mortise Lockset, or Exit Device |
| Operation | Swing |
| Primary Material | Unfinished Wood Veneer |






