Project Description

Bullet Resistant Hollow Metal Window – Transaction Frame

Description

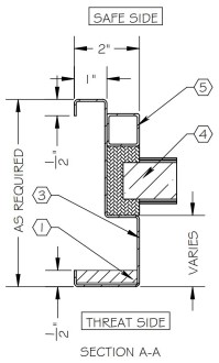
Bullet Resistant Hollow Metal Window Frames are designed for “non-ricochet type” intended to permit capture and retention of attacking projectile, lessening potential of random injury or lateral penetration. Framing system uses cold rolled steel prime painted or stainless steel cut, broken and welded to size which include armor to meet protection level required. Interior screw applied stops, making glazing installation easy for variety of glazing types and thickness to provide security level needed. Transaction windows can come with natural voice which allows voice transmission around glazing through the frame or NO natural voice to include electronic or passive speakers. Transaction windows are also available with a laminate, stainless steel counters or can be made to install on existing counters.

SKU: WI-FW-HM-RS

REQUEST A QUOTE

Key Stats

Ballistic Level (UL) 1 to 10
Height 6″ to 96″
Width 6″ to 96″
Application Interior
Available Sizes  60″ x 96″ Max. | 96″ x 60″ Max.
Finish  Primed | Stainless Steel
Glazing Glass/Polycarbonate Composite | Glass-clad Polycarbonate | Multi-ply Polycarbonate | Acrylic Polycarbonate Composite
Options Countertop
Primary Material Steel | Stainless Steel

Technical Documents & Inspiration

DOWNLOAD BIM / REVIT